聚氨酯皮带清扫器的特点:
刮料效果优异
刮刀采用聚氨酯复合材料,利用模具一体加硫成形,刮刀面平整,直线度好,低摩擦、高耐磨、高强度,具有稳定的刮料效果。可有效清除残留皮带上之细粒、湿粘物料。预压式调压器确保刮刀与皮带的稳定接触压力。刮刀面由多块窄幅聚氨酯刮板组成,具有孔形缓冲孔,对各种皮带都有良好跟随性。
刮刀无跳动之虞
刮刀与固定座采用鸠尾槽结合,并有消除余隙之顶紧装置。
三层式刮刀组
具有可分离式固定座,可在料斗侧边抽换,安装或维修非常简便。
刀座更换简易、快速
由落料斗侧边推进从而给与稳定的接触压力,必要时可以再微调。
使用寿命长
低而稳定的刮刀与皮带接触压力,不仅可保持优异的刮料效果,亦能有效地提高使用寿命,刮刀一般可用1-3年,绝不伤皮带。
聚氨酯刮刀材料技术特性表
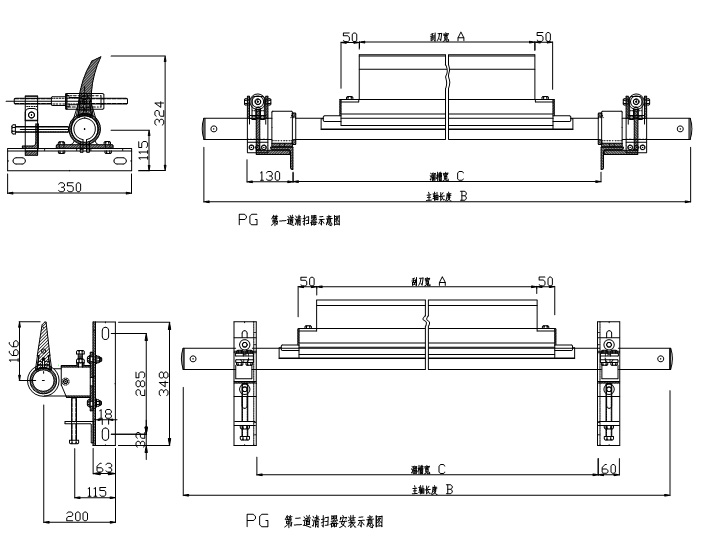
第一道皮带清扫器
采用一字式刮刀,可确保刮刀与皮带稳定的低接触力,使用寿命高,中间长圆缓冲孔使刮刀的缓冲跟随性好,抗冲击强度高。特制的防尘套密封扭力弹簧组,可避免因卡料或积尘而无法充分发挥自调功能。
PT一道清扫器型号
| 型号 | 皮带宽度 | A(刮刀宽) | B(主轴长度) | 重量(KG)) |
| PT-50-H1 | 500 | 500 | 1200 | 45 |
| PT-60-H1 | 600 | 600 | 1400 | 52 |
| PT-80-H1 | 800 | 800 | 1600 | 59 |
| PT-100-H1 | 1000 | 1000 | 1800 | 66 |
| PT-120-H1 | 1200 | 1200 | 2000 | 73 |
| PT-140-H1 | 1400 | 1400 | 2300 | 80 |
| PT-160-H1 | 1600 | 1600 | 2500 | 87 |
| PT-180-H1 | 1800 | 1800 | 2700 | 94 |
| PT-200-H1 | 2000 | 2000 | 2900 | 101 |
注:C值依头部漏斗的尺寸现场安装调整
第二道皮带清扫器
采用人字形刮刀,刮刀面平整成一平面,可有效清除残留皮带上之细粒,湿粘物料,缓冲座组合面积大,不断裂,不积料,可避免刮刀口崩裂损及皮带,也可用于逆向运转皮带。刀座下直立的缓冲弹簧组,可确保与皮带的良好接触和刮料效果。
适用以下型号产品:
●PT-**-H1 ;PT-**-P2 ●PG-**-H1 ; PG-**-P2
PT二道清扫器型号
| 型号 | 皮带宽度 | A(刮刀宽) | B(主轴长度) | 重量(KG) | 弹簧组个数 |
| PT-50-P2 | 500 | 500 | 1200 | 35 | 2 |
| PT-60-P2 | 600 | 600 | 1400 | 38 | 2 |
| PT-80-P2 | 800 | 800 | 1600 | 48 | 2 |
| PT-100-P2 | 1000 | 1000 | 1800 | 53 | 2 |
| PT-120-P2 | 1200 | 1200 | 2000 | 58 | 2 |
| PT-140-P2 | 1400 | 1400 | 2300 | 70 | 3 |
| PT-160-P2 | 1600 | 1600 | 2500 | 75 | 3 |
| PT-180-P2 | 1800 | 1800 | 2700 | 80 | 3 |
| PT-200-P2 | 2000 | 2000 | 2900 | 85 | 3 |
注:1、使用两个弹簧组时,取消中间的弹簧组
2、C值依头部漏斗的尺寸现场安装调整
3、采用的人字形刮刀可适用于可逆皮带机
PG系列清扫器刮板
空段清扫器(V型清扫器)
空段清扫器(V型)型号
| 型号 | 皮带宽度B | A | L | 重量(KG) |
| PT-VC-050 | 500 | 800 | 210 | 23 |
| PT-VC-060 | 600 | 950 | 316 | 30 |
| PT-VC-080 | 800 | 1150 | 423 | 37 |
| PT-VC-100 | 1000 | 1350 | 530 | 44 |
| PT-VC-120 | 1200 | 1600 | 637 | 49 |
| PT-VC-140 | 1400 | 1810 | 744 | 56 |
| PT-VC-160 | 1600 | 2070 | 851 | 61 |
| PT-VC-180 | 1800 | 2280 | 958 | 66 |
| PT-VC-200 | 2000 | 2480 | 1065 | 71 |
空段清扫器(I型)型号
| 型号 | 皮带宽度B | A | L | 重量(KG) |
| PT-IC-050 | 500 | 740 | 750 | 21 |
| PT-IC-060 | 600 | 890 | 975 | 27 |
| PT-IC-080 | 800 | 1090 | 1200 | 33 |
| PT-IC-100 | 1000 | 1290 | 1500 | 39 |
| PT-IC-120 | 1200 | 1540 | 1800 | 45 |
| PT-IC-140 | 1400 | 1750 | 2100 | 51 |
| PT-IC-160 | 1600 | 1990 | 2400 | 57 |
| PT-IC-180 | 1800 | 2210 | 2700 | 63 |
| PT-IC-200 | 2000 | 2420 | 3000 | 69 |
DT合金清扫器
DT合金清扫器与皮带接触的是合金刮刀,靠合金刮刀清楚粘附物料。合金刮刀下是橡胶体,起到缓冲弹簧作用。合金清扫器目前仍是主要的皮带清扫器。
合金清扫器具有高耐磨、清扫效果好、使用寿命长等特点,广泛应用于港口、电厂及输煤企业等有输送设备的大型工业企业。
合金清扫器有H、P、N、O、I、TQI型,带宽500mm~2200mm六十余规格。H型清扫器是头部一道清扫器,安装于头轮旁,与头轮中心水平线成5-15度角的切点。用于清除头轮上方皮带粘附物料。
P型清扫器头部二道清扫器,安装于头轮下面平稳工作面处。用于清除头轮下方皮带的粘附物料。H、P型清扫器通常配套使用。
N型(可逆)清扫器安装于可逆运行输送机上平稳工作面处,可以用于输送带任何部位的清扫。
O型(空段)清扫器安装于头部、尾部的非工作面处,用于在头部、尾部清除非工作面上的粘附物料。
I型(空段可逆)清扫器安装于可逆运行的输送机头部、尾部的非工作面上。用于在头部、尾部清除非工作面上的粘附物料。
H型安装示意图
P型安装示意图